25N02場效應管參數,25N02規格書,25N02引腳圖,25N02中文資料pdf代替

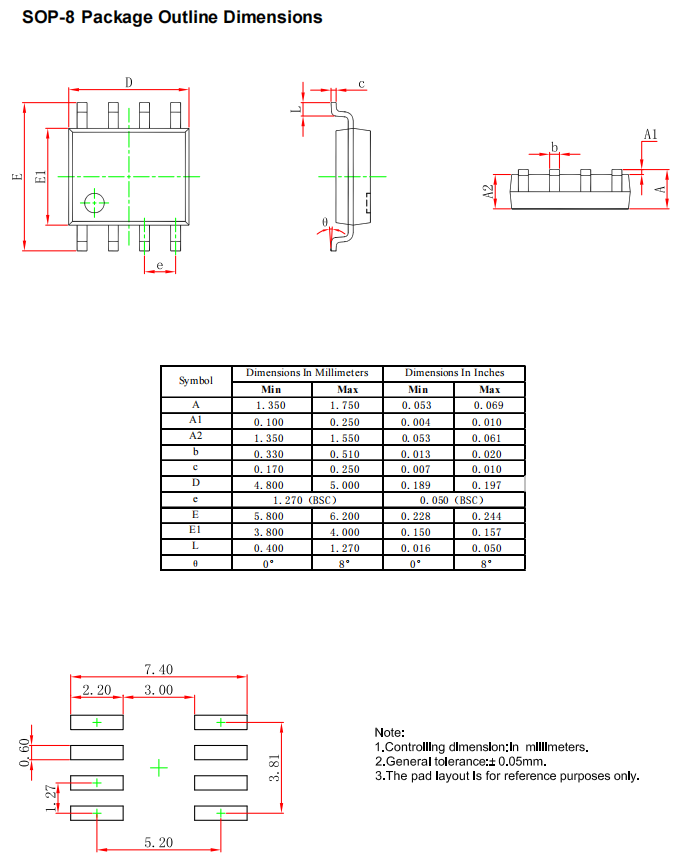
25N02 SOP-8封裝參數:點擊查看

25N02場效應管參數具體如下:
封裝類型:SOP-8
極性:NPN
極性:NPN
漏極電流:25A
功率耗散:58W
反向傳輸電容Crss:2500pF
柵極源極擊穿電壓:±20V
擊穿電壓:20V
存儲溫度:-55℃~+150℃
引腳數:8Pin
導通電阻ID=30A,VGS=4.5V:Typ 3.8mΩ Max 5mΩ
導通電阻ID=20A,VGS=2.5V:Typ 5mΩ Max 7mΩ
工作溫度:-55℃~+150℃
安裝類型:SMT
二、作用與應用
25N02場效應管的核心作用是作為電子開關使用。在電路中,它通過控制柵極電壓來調節漏源路徑上的電流流動,實現對負載的精確控制。由于其出色的電氣性能,25N02廣泛應用于以下領域:
1.電源系統:在開關電源、充電器、逆變器等應用中,可以作為主開關管,提高電源轉換效率,降低功耗。
2.電機驅動:在工業電機、家用電器等應用中,可以作為電機驅動電路的功率器件,提高電機驅動效率,降低電機運行噪音。
3.LED照明:在高功率LED照明系統中,可以作為LED驅動電路的功率器件,提高照明效率,降低能耗。
4.其他應用:還可以應用于太陽能系統、風力發電系統、無線充電等領域。
三、SOP-8封裝特點
25N02采用SOP-8封裝,這是一種小外形封裝,具有以下特點:
1.緊湊型設計:占地面積小,便于PCB設計和安裝。
2.高可靠性:采用塑料封裝,具有良好的抗震性能和耐濕性。
3.低成本:比其他封裝方式成本更低,適用于大批量生產。
4.性能優良,可靠性高:SOP減少了各功能部件之間的連接,使得由于連接之間的各種損耗、干擾降低到最小。
25N02場效應管 SOP-8封裝尺寸:

〈烜芯微/XXW〉專業制造二極管,三極管,MOS管,橋堆等,20年,工廠直銷省20%,上萬家電路電器生產企業選用,專業的工程師幫您穩定好每一批產品,如果您有遇到什么需要幫助解決的,可以直接聯系下方的聯系號碼或加QQ/微信,由我們的銷售經理給您精準的報價以及產品介紹
聯系號碼:18923864027
QQ:709211280


