一、低通濾波器概述
低通濾波器在車載功放等眾多電子設備中發揮著關鍵作用,其核心功能是允許低頻信號順暢通過,同時有效阻擋中、高頻信號,實現對音頻信號的精準過濾。通過濾除音頻信號中的中音和高音成分,低通濾波器能夠顯著增強低音成分的能量,從而為揚聲器的低音單元提供更強勁、更純凈的低頻驅動信號,確保音頻輸出的低音部分更加深沉、飽滿且富有力量感。在實際應用中,高通濾波器常常與低通濾波器聯袂使用,二者協同工作,確保不同頻率的聲音信號能夠精準地被導向至相應的發聲單元,實現音頻信號的合理分配與高效重放。
二、低通濾波器特點與用途
低通濾波器具備諸多顯著特點,使其在各類電子系統中廣泛應用:
低損耗高抑制:低通濾波器能夠在確保低頻信號低損耗傳輸的同時,對高頻信號實施高效的衰減抑制,從而實現對不同頻率信號的有效分離與精準控制。
分割點準確:具備明確的截止頻率點,能夠依據設定的頻率參數,將音頻信號中的低頻、中頻和高頻成分進行精準劃分,確保各頻率段信號的處理與分配符合設計要求。
雙銅管保護:采用雙銅管結構設計,有效提升了濾波器的電氣性能和機械穩定性,增強了濾波器在復雜電磁環境中的抗干擾能力,確保其長期穩定可靠地工作。
頻蔽好防水功能強:良好的頻率屏蔽性能使其能夠有效抵御外界電磁干擾,保證濾波器自身的頻率響應特性不受影響;同時,出色的防水設計使其適用于多種惡劣環境條件,進一步拓展了濾波器的應用范圍。
在用途方面,低通濾波器廣泛應用于各類通訊系統,例如CATV(有線電視)和EOC(以太網over同軸電纜)等系統。在這些系統中,低通濾波器能夠有效地去除通頻帶以外的干擾信號以及多余的頻段頻率,確保傳輸信號的純凈度和完整性,從而提高系統的通信質量和信號傳輸效率。
三、低通濾波器設計實例與關鍵參數
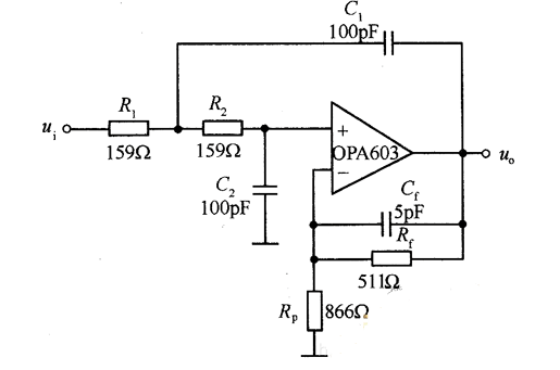
以10MHz低通濾波器為例,該濾波器采用帶寬高達100MHz的高速電流反饋集成運放OPA603構建而成,形成一個性能優良的二階巴特沃思低通濾波器。在電路設計中,關鍵元件參數的精準配置至關重要,具體為R1=R2=159Ω,C1=C2=100pF。通過這些參數的合理搭配,濾波器實現了預期的截止頻率fc=1/(2πR1C1)=10MHz,并且具備零頻增益G0=1+Rf/R=1.6。


四、截止頻率的定義與計算
截止頻率是描述濾波器頻率響應特性的一個關鍵指標,它標志著濾波器通帶與阻帶的邊界。具體而言,截止頻率定義為當輸入信號幅度保持恒定時,輸出信號幅度下降至最大值的0.707倍所對應的頻率點。在頻域響應特性中,該點表現為幅頻特性曲線的-3dB點,即功率衰減一半的位置。


從電路的系統函數模的角度出發,利用電路的放大倍數來計算截止頻率?;诠?0lgA(ω)=-3dB,可得A(ω)=10^(-0.15)=0.707945784≈1/√2。由于A(ω)=|H(jω)|,進一步推導得出|H(jω)|²=1/2。
對于一個實際的濾波電路而言,其幅頻特性曲線在高頻端和低頻端分別存在一個截止頻率,分別被稱為上截止頻率和下截止頻率。這兩個截止頻率所界定的頻率區間即為該濾波器的通頻帶。例如,對于一個典型的帶通濾波器,其通頻帶位于上下截止頻率之間,而低通濾波器的通頻帶則從零頻(直流)延伸至上截止頻率,高通濾波器的通頻帶則從下截止頻率延伸至無限遠頻率。
五、開環截止頻率與閉環截止頻率
開環截止頻率,亦稱為剪切頻率,是開環幅頻特性中,幅頻特性曲線穿越0dB線時所對應的頻率,通常用符號ωc表示。而閉環截止頻率,也被稱為帶寬頻率,是指當閉環幅頻特性下降至頻率為零時的分貝值以下3dB時對應的頻率,以ωb表示。
盡管開環截止頻率與閉環截止頻率是分別用于描述開環系統和閉環系統的幅頻特性的兩個不同物理量,但二者之間卻存在著一定的內在聯系和相關性。具體表現為開環截止頻率與閉環截止頻率具有同向性特征,即開環截止頻率ωc的增大或減小,會引起閉環截止頻率ωb的同方向變化。并且,在一般情況下,閉環截止頻率ωb會大于開環截止頻率ωc,即ωb>ωc。
閉環截止頻率對于表征閉環系統的瞬態響應速度具有重要意義。閉環截止頻率ωb越高,表明系統的瞬態響應速度越快。由于開環截止頻率ωc與閉環截止頻率ωb具有同向性,因此可以通過分析系統的Bode圖,借助開環截止頻率ωc的高低來間接判斷系統的瞬態響應速度。具體而言,剪切頻率ωc越高,系統的瞬態響應速度則越快。
六、低通濾波器帶寬與截止頻率的關系
在電子學領域,帶寬(B)通常被定義為截止頻率(f=ωH/2π),即B=1/f=2π/ωH。從這個定義可以得出,低通濾波器的帶寬實際上等同于其截止頻率所對應的頻率值。而在實際應用中,對于信號的負頻率部分,往往需要借助希爾伯特變換器進行處理,以剔除負頻率成分。這樣做的好處是在信號調制過程中,能夠有效地節約頻譜資源,提高頻譜利用率。
對于高通濾波器而言,通常較少提及帶寬這一概念,更多的是關注其截止頻率。而對于帶通濾波器來說,其帶寬與截止頻率之間則存在著明顯的區別。帶通濾波器的帶寬指的是其上下截止頻率之間的頻率范圍,這與低通濾波器的帶寬定義有所不同。
七、二階低通濾波器截止頻率公式
二階低通濾波器的截止頻率計算公式為:fc=1/(2π√(R1R2C1C2))。該公式清晰地展示了二階低通濾波器的截止頻率與其電路參數之間的定量關系,為濾波器的設計、調試與優化提供了重要的理論依據。
〈烜芯微/XXW〉專業制造二極管,三極管,MOS管,橋堆等,20年,工廠直銷省20%,上萬家電路電器生產企業選用,專業的工程師幫您穩定好每一批產品,如果您有遇到什么需要幫助解決的,可以直接聯系下方的聯系號碼或加QQ/微信,由我們的銷售經理給您精準的報價以及產品介紹
聯系號碼:18923864027(同微信)
QQ:709211280

