(一)工作原理及電路
這里主要是講述逆變器是由MOS場效應管,普通電源變壓器構成。其輸出功率取決于MOS場效應管和電源變壓器的功率,免除了煩瑣的變壓器繞制,適合電子愛好者業余制作中采用。下面介紹該逆變器的工作原理及制作過程。
這里采用六反相器CD4069構成方波信號發生器。電路中R1是補償電阻,用于改善由于電源電壓的變化而引起的振蕩頻率不穩。電路的振蕩是通過電容C1充放電完成的。其振蕩頻率為f=1/2.2RC.圖示電路的最大頻率為:fmax=1/2.2×3.3×103×2.2×10-6=62.6Hz;最小頻率fmin=1/2.2×4.3×103×2.2×10-6=48.0Hz.由于元件的誤差,實際值會略有差異。其它多余的反相器,輸入端接地避免影響其它電路。


(二)逆變器MOS管圖解
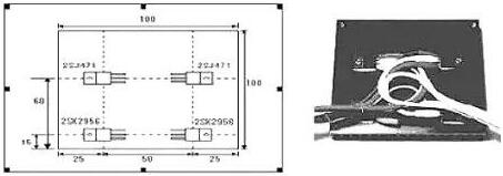
逆變器用的變壓器采用次級為12V、電流為10A、初級電壓為220V的廢品電源變壓器。P溝道MOS場效應管(2SJ471)最大漏極電流為30A,在場效應管導通時,漏-源極間電阻為25毫歐。此時假如經過10A電流時會有2.5W的功率耗費。N溝道MOS場效應(2SK2956)最大漏極電流為50A,場效應管導通時,漏-源極間電阻為7毫歐,此時假如經過10A電流時耗費的功率為0.7W.由此我們也可知在同樣的工作電流狀況下,2SJ471的發熱量約為2SK2956的4倍。所以在思索散熱器時應留意這點。圖8展現本文引見的逆變
器場效應管在散熱器(100mm×100mm×17mm)上的位置散布和接法。雖然場效應管工作于開關狀態時發熱量不會很大,出于安全思考這里選用的散熱器稍偏大。
1:逆變器電路板


2:逆變器所用元器件


3:逆變器位置分布與接法


逆變器MOS管選型表
(一)在進行電源設計時,效率與可靠性都是設計者首先考慮的因素,在設計逆變電源時更是如此。逆變電源可靠性的提升對于新手們來說是一個較為頭疼的問題,雖然有資料可供參考,但其中值給出了部分方法,卻沒有給出一些技巧或原理上的講解。
MOS管不同的封裝形式對于原器件的參數設定與選型一樣會影響到產品的可靠性,需要謹慎對待。電源逆變器MOS管常用型號是需要按照輸入或輸出電壓的不同來選擇不同BVDSS電壓的MOS管。
(二)烜芯微產品特點:1、高頻特性、高溫特性、高壓特性; 2:碳化硅器件是同等硅器件耐壓的10倍; 3:碳化硅肖特基管耐壓可達2400V; 4:碳化硅場效應管耐壓可達數萬伏。且通態電阻小。

烜芯微專業制造二三極管,MOS管,20年,工廠直銷省20%,1500家電路電器生產企業選用,專業的工程師幫您穩定好每一批產品,如果您有遇到什么需要幫助解決的,可以點擊右邊的工程師,或者點擊銷售經理給您精準的報價以及產品介紹

烜芯微專業制造二三極管,MOS管,20年,工廠直銷省20%,1500家電路電器生產企業選用,專業的工程師幫您穩定好每一批產品,如果您有遇到什么需要幫助解決的,可以點擊右邊的工程師,或者點擊銷售經理給您精準的報價以及產品介紹

