本文詳細介紹了如何設計運算放大器、運算放大器同相放大器電路,包括方程式、設計細節、電路、計算和設計技巧。
同相放大器(non-inverting amplifier )配置是最流行和最廣泛使用的運算放大器電路形式之一,并且用于許多電子電路設計中。
運算放大器同相放大器電路提供高輸入阻抗以及使用運算放大器獲得的所有優點。
同相運算放大器電路需要的外圍和反向放大電路差不多,但它可可以提供更高的輸入阻抗。
1、同相放大電路
設計的第一階段之一是確定所需的實際增益水平,因為這通常是任何設計中的關鍵參數之一。
基本同相放大電路非常簡單。


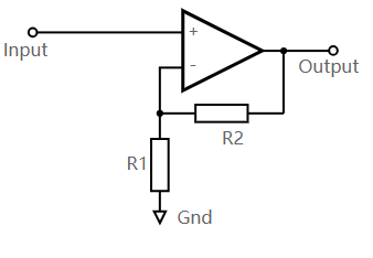
在該電子電路設計中,信號被施加到運算放大器的同相輸入引腳。這樣,輸出的信號與輸入的信號相比不會反轉。
然而,反饋是通過一個電阻從運算放大器的輸出連接到運算放大器的反相輸入端,其中另一個電阻接地。電阻必須應用于反相輸入,因為它是負反饋。
這兩個電阻的值決定了反饋電平,從而控制運算放大器電路的增益。
2、同相放大器增益
運算放大器同相電路的增益很容易確定。計算取決于兩個輸入引腳的電壓相同這一事實,也就是虛短。這是因為放大器的增益非常高。如果電路的輸出保持在放大器的電源軌內,則輸出電壓除以增益意味著兩個輸入之間實際上沒有差異。
由于運算放大器的輸入阻抗很大,這導致幾乎不會有電流流入運放輸入引腳,這意味著流經電阻器 R1 和 R2 的電流相同,因為反相引腳相當于斷開,導致R1和 R2 是串聯關系。
反相輸入端的電壓由 R1 和 R2 組成的分壓器形成,由于負反饋時,兩個輸入端的電壓相同,因此反相輸入端的電壓必須與非反相輸入端的電壓相同。這意味著 Vin = Vout x R1 / (R1 + R2),因此電路的電壓增益 Av 可取為:


例如,需要 11 增益的放大器可以通過將 R2 設為 47 k 歐姆、將 R1 設為 4.7 k 歐姆來搭建。
3、同相放大器輸入阻抗
運算放大器同相電路的阻抗特別高——事實上這通常是該電路設計的關鍵特征之一。
該運算放大器電路的輸入阻抗通常可能遠遠超過 10M Ω。
對于大多數電路應用,同相放大電路對前級的任何負載影響都可以完全忽略,因為它的輸入阻抗如此之高,除非它們非常敏感。
這與運算放大器電路的反相配置有顯著差異,反相放大時,運算放大器電路僅根據輸入電阻器的值提供相對較低的阻抗。
4、設計提示和技巧
運算放大器同相放大器非常容易設計,但與任何電子電路設計一樣,有一些值得主義的地方。
不要將 R2 設得太高:雖然運放的輸入阻抗很高,但在任何運放電路中,最好始終確保 R2 的值不要選得太高,否則其他電路效應可能會加載它,并且增益可能不是預期的。根據粗略的經驗法則,將 R2 值保持在 100kΩ 以下通常是明智的。
增益不能太大:設計運算放大器時要記住的一點是不要期望太大的增益。即使開環增益可能非常高,也不要期望在整個放大器上可以實現巨大的增益。當電壓增益超過10~20 時請仔細考慮。
帶寬不是一成不變的:雖然運算放大器具有很高的增益值,但隨著頻率的增加,增益值開始下降。即使反相放大器中有反饋,也需要考慮增益帶寬積。不要試圖從單級運算放大器電路中得到太大的增益,否則頻率響應可能會受到影響。
確保輸出不會削波(clip):對于大多數電路來說,最大限度地減少失真非常重要。電路設計考慮因素之一必須是確保輸出有足夠的余量,以便最大輸出電壓不會接近電源軌,從而導致輸出削波。當增益設計的比較大時時,通常會發生這種情況,因此值得在設計的最開始應該計算最大輸出電壓。
5、交流耦合同相放大器
在大多數情況下,可以對電路進行直流耦合。在需要交流耦合的情況下,必須確保非反相器件具有直流接地路徑,以實現偏置運放內部的輸入元件所需的非常小的輸入電流。
這可以通過插入一個高值電阻器(圖中的 R3)接地來實現,如下所示。該值通常可以為 100kΩ 或更大。如果未插入該電阻器,運算放大器的輸出將被驅動到電壓軌之一。


當以這種方式接入電阻時,應記住電容-電阻組合 C1 / R3 形成具有截止頻率的高通濾波器。截止點出現在容抗等于電阻的頻率處。
同樣,輸出電容器的選擇應使其能夠通過系統所需的最低頻率。在這種情況下,運算放大器的輸出阻抗較低,因此最大阻抗可能是下一級的阻抗。
6、單電源同相放大器
運算放大器電路通常設計為采用雙電源供電,例如+9V 和-9V。這并不總是容易實現,因此使用電子電路設計的單端或單電源版本通常很方便。這可以通過創建通常稱為半電源軌的方式來實現。
同相運算放大器電路的偏置電壓為軌電壓的一半。通過將工作點設置在此電壓,可以在輸出上獲得最大擺幅而無需削波。


使用該電路時有以下幾點需要注意:
偏置電壓:同相放大器的偏置電壓由 R3 和 R4 設置。通常運放本身的輸入阻抗會高于這兩個電阻值,因此可以忽略不計。通常,偏置電壓設置為軌電壓的一半,以使輸出能夠在任一方向上均勻擺動而不會發生削波。R3 和 R4 通常具有相同的值。
輸入阻抗:這種布置的輸入阻抗將低于運算放大器本身的輸入阻抗。整個非反相放大器電路的輸入阻抗將是與運算放大器的輸入阻抗并聯的R3和R4。實際上,這通常等于 R3 與 R4 并聯,即 (R3 x R4) / R3 + R4)。
電容 C3:電容 C3 的漏電流必須非常低,否則漏電流會擾亂電路并進入電源軌。不要使用點解電容,因為它們的漏電流太高并且電路進入電源軌。
輸入和輸出電容:與任何電子電路設計一樣,輸入和輸出電容器的選擇必須能夠通過最低頻率而不會出現過度衰減。
同相放大電路對于需要高輸入阻抗的電子設備中的電子電路設計特別有用。該同相放大電路易于搭建,實際工作可靠、良好。
〈烜芯微/XXW〉專業制造二極管,三極管,MOS管,橋堆等,20年,工廠直銷省20%,上萬家電路電器生產企業選用,專業的工程師幫您穩定好每一批產品,如果您有遇到什么需要幫助解決的,可以直接聯系下方的聯系號碼或加QQ/微信,由我們的銷售經理給您精準的報價以及產品介紹
聯系號碼:18923864027(同微信)
QQ:709211280

