一、米勒電容
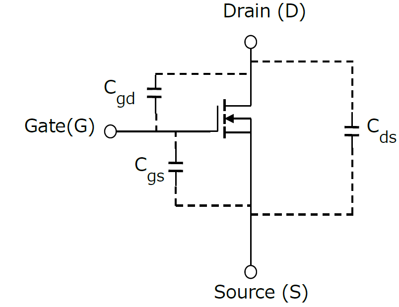
MOS管的等效電容如圖所示:


在器件的手冊中,會給出MOS管的寄生參數,其中輸入電容Ciss就是從輸入回路,即端口G和S看進去的電容,MOS管導通時的GS電容,是Cgd和Cds的并聯;
輸出電容Coss就是從輸出回路,即端口D和S看進去的電容,MOS管關斷時DS電容,是Cgd和Cgs的串聯;
反向傳輸電容Crss就是Cgd,也叫米勒電容; 構成了輸出回路對輸入回路的反饋。


考察MOS管的充電過程(以下給出簡要分析,更詳細具體的分析可以參考最后的鏈接),當Vgs從0開始上升時(小于Vth階段,t0-t1),從G端過來的正電荷同時流向了Cgs和Cgd; 流向Cgs的電荷給電容充電,使得G點電位上升;


流向Cgd的正電荷中和了一部分Cgd下極板的負電荷,下極板的凈負電荷減少; 上極板的電位在這個階段始終等于VDD,因此Cgd兩端的電壓下降,同樣也抬高了G點的電位; 通常Cgs的電容值大于Cgd,所以Cgd這一路的電流相對很小;
因此,此時晶體管未開通,iD等于0,Vgs由于G點電位上升而上升,Vds可以認為保持不變;


當Vg大于Vth時(t1-t2),此時晶體管處于飽和區; 隨著Vgs的增加,iD逐漸增加,Vds略有下降,這個階段MOS管一直處于飽和狀態;


從t2時刻開始,電流iD達到最大值,此時MOS管仍然處于飽和區,iD = gmVgs,iD不變時gm也為常數,因此Vgs保持不變;
Vgs不變說明Igs為0,所以此時Ig = Igd,柵極電壓全部給Cgd充電,形成所謂的米勒平臺;


從t3時刻開始,MOS管進入線性區,此時柵極電壓同時給Cgs和Cgd充電,Vgs開始繼續上升,溝道也逐漸變寬;
在這個過程中,t1-t3時間段內是消耗功耗的,因此,米勒電容的大小對于MOS管的開關速度和功耗都是有影響的。
二、CCS電流源模型
在時序建模時,只考慮標準單元的輸入輸出引腳,輸入引腳對外部是receiver,輸出引腳對外部是driver; 然后對receiver和driver分別建模,以獲取標準單元的時序特性;
在NLDM模型中,driver model是一個有固定電阻的電壓源模型,receiver model是一個單一電容模型。 通過input transition以及output load查表得到一個delay值;


而對于CCS復合電流源模型的driver model,由input transition以及output load得到的不再是一個具體的delay值,而是一組隨時間變化的電流值,工具根據輸出電流計算單元的延遲和功耗;


receiver model是兩段電容模型, 考慮了米勒電容的影響 。 比如輸入引腳的高低slew閾值是30%和70%,那么(30%,50%)這段時間的cap值為C1,(50%,70%)這段時間的cap值為C2,靜態時序分析工具會動態選擇電容值。


下面兩張圖是CCS在lib庫中的描述:

〈烜芯微/XXW〉專業制造二極管,三極管,MOS管,橋堆等,20年,工廠直銷省20%,上萬家電路電器生產企業選用,專業的工程師幫您穩定好每一批產品,如果您有遇到什么需要幫助解決的,可以直接聯系下方的聯系號碼或加QQ/微信,由我們的銷售經理給您精準的報價以及產品介紹

〈烜芯微/XXW〉專業制造二極管,三極管,MOS管,橋堆等,20年,工廠直銷省20%,上萬家電路電器生產企業選用,專業的工程師幫您穩定好每一批產品,如果您有遇到什么需要幫助解決的,可以直接聯系下方的聯系號碼或加QQ/微信,由我們的銷售經理給您精準的報價以及產品介紹聯系號碼:18923864027(同微信)
QQ:709211280

