金屬-氧化物-半導體(Metal-Oxide-SemIConductor)結構的晶體管簡稱MOS晶體管,有P型MOS管和N型MOS管之分。MOS管構成的集成電路稱為MOS集成電路,而PMOS管和NMOS管共同構成的互補型MOS集成電路即為CMOS集成電路。
n溝道mos管和p溝道mos管結構


上圖對比可知,對于P型MOSFET,其寄生體二極管的陽極與漏極相連,陰極與源極相連;而對于N型MOSFET,其寄生體二極管的陽極與源極相連,陰極與漏極相連。
P型MOSFET和N型MOSFET的體二極管的陰陽極連接剛好相反。因此P型MOSFET和N型MOSFET,雖然從外觀上無法區分,但是用萬用表測試其寄生體二極管的陰陽極與漏源極的連接關系,便可區分開來。
另外一種區分MOSFET是P型還是N型的方法是看開通該MOSFET,門極對源極是需要正電平還是負電平。
對于N型MOSFET,若要將其開通,需要門極對源極(VGS)加一個正電壓(該電壓需要高于該MOSFET的門限電壓),例如+10V。而對于P型MOSFET,如要將其開通,需要門極對源極(VGS)加一個負電壓(該負電壓需要低于該MOSFET的門限電壓),例如-10V。
MOS管的N溝道與P溝道之間的關系
純半導體的導電性能很差,但是可以通過加入一些特殊的雜質增強其導電能力。N型MOSFET會引入額外可移動的負電荷(電子),此時為N型(N溝道)參雜,在N型MOSFET中電子為多數載流子,空穴為少數載流子。P型MOSFET在半導體中產生帶正電荷的空穴,此時為P型(P溝道)參雜,在P型MOSFET中空穴為多數載流子,電子為少數載流子。
n溝道mos管和p溝道mos管工作原理
僅含有一個P--N結的二極管工作過程,如下圖所示,我們知道在二極管加上正向電壓時(P端接正極,N端接負極),二極管導通,其PN結有電流通過,這是因為在P型半導體端為正電壓時,N型半導體內的負電子被吸引而涌向加有正電壓的P型半導體端,而P型半導體端內的正電子則朝N型半導體端運動,從而形成導通電流。
同理,當二極管加上反向電壓(P端接負極,N端接正極)時,這時在P型半導體端為負電壓,正電子被聚集在P型半導體端,負電子則聚集在N型半導體端,電子不移動,其PN結沒有電流通過,二極管截止。


對于N溝道場效應管(見圖1),在柵極沒有電壓時,由前面分析可知,在源極與漏極之間不會有電流流過,此時場效應管處于截止狀態(圖1a),當有一個正電壓加在N溝道的MOS場效應管柵極時(見圖1b),
由于電場的作用,此時N型半導體的源極和漏極的負電子被吸引出來涌向柵極,但由于氧化膜的阻擋,使得電子聚集在兩個N溝道之間的P型半導體中(見圖1b),
從而形成電流,使源極和漏極導通,我們也可以想象為兩個N型半導體之間為一條溝,柵極電壓的建立相當于為它們之間搭建了一座橋梁,該橋的大小由柵壓的大小決定。


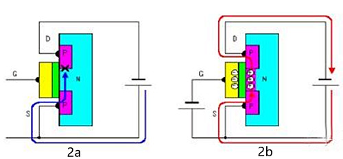
圖2給出了P溝道的MOS場效應管的工作過程,其工作原理類似。
n溝道mos管和p溝道mos管區別
1、從外形上看:
p溝道的mos管比同規格的n溝道的要粗一些;
2、從導電性能看:
p溝道和n溝道相比,前者要比后者的電阻低一些(當然這只是一個方面)。
3、從耐溫性看:
一般來說,相同規格下同等材質的情況下(如都是硅片),p溝道的耐高溫能力要強于n型。
4、從穩定性上比較:
由于工藝的不同導致兩者之間的差異較大;
5、從價格上分析:
由于制作工藝不同、原材料的不同以及成本等因素的影響使得兩者的價格相差較大。
〈烜芯微/XXW〉專業制造二極管,三極管,MOS管,橋堆等,20年,工廠直銷省20%,上萬家電路電器生產企業選用,專業的工程師幫您穩定好每一批產品,如果您有遇到什么需要幫助解決的,可以直接聯系下方的聯系號碼或加QQ/微信,由我們的銷售經理給您精準的報價以及產品介紹
聯系號碼:18923864027(同微信)
QQ:709211280

