復位電路是用來使電路恢復到起始狀態的電路設備,操作原理與計算器有著異曲同工之妙,就像計算器的清零按鈕的作用一樣,只是啟動原理和手段有所不同。復位電路,就是利用它把電路恢復到起始狀態。
復位電路工作原理
復位電路的目的就是在上電的瞬間提供一個與正常工作狀態下相反的電平。一般利用電容電壓不能突變的原理,將電容與電阻串聯,上電時刻,電容沒有充電,兩端電壓為零,此時,提供復位脈沖,電源不斷的給電容充電,直至電容兩端電壓為電源電壓,電路進入正常工作狀態。
積分型上電復位電路
常用的上電或開關復位電路如圖所示。上電后,由于電容C3的充電和反相門的作用,使RST持續一段時間的高電平。當單片機已在運行當中時,按下復位鍵K后松開,也能使RST為一段時間的高電平,從而實現上電或開關復位的操作。
根據實際操作的經驗,下面給出這種復位電路的電容、電阻參考值。
圖中:C:=1uF,Rl=lk,R2=10k


積分型上電復位電路圖
專用芯片復位電路
上電復位電路在控制系統中的作用是啟動單片機開始工作。但在電源上電以及在正常工作時電壓異常或干擾時,電源會有一些不穩定的因素,為單片機工作的穩定性可能帶來嚴重的影響。因此,在電源上電時延時輸出給芯片輸出一復位信號。
上復位電路另一個作用是,*正常工作時電源電壓。若電源有異常則會進行強制復位。復位輸出腳輸出低電平需要持續三個(12/fc s)或者更多的指令周期,復位程序開始初始化芯片內部的初始狀態。等待接受輸入信號(若如遙控器的信號等)。


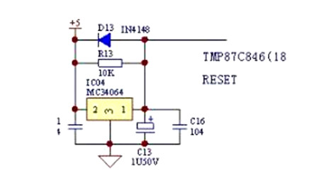
上電復位電路原理圖
5V電源通過MC34064的2腳輸入,1腳便可輸出一個上升沿,觸發芯片的復位腳。電解電容C13是調節復位延時時間的。當電源關斷時,電解電容C13上的殘留電荷通過D13和MC34064內部電路構成回路,釋放掉電荷。以備下次復位啟用。


上電復位電路內部結構框圖
〈烜芯微/XXW〉專業制造二極管,三極管,MOS管,橋堆等,20年,工廠直銷省20%,上萬家電路電器生產企業選用,專業的工程師幫您穩定好每一批產品,如果您有遇到什么需要幫助解決的,可以直接聯系下方的聯系號碼或加QQ/微信,由我們的銷售經理給您精準的報價以及產品介紹
聯系號碼:18923864027(同微信)
QQ:709211280

