步進電機工作原理
通常電機的轉子為永磁體,當電流流過定子繞組時,定子繞組產生一矢量磁場。該磁場會帶動轉子旋轉一角度,使得轉子的一對磁場方向與定子的磁場方向一致。
當定子的矢量磁場旋轉一個角度,轉子也隨著該磁場轉一個角度。每輸入一個電脈沖,電動機轉動一個角度前進一步。它輸出的角位移與輸入的脈沖數成正比、轉速與脈沖頻率成正比。
改變繞組通電的順序,電機就會反轉。所以可用控制脈沖數量、頻率及電動機各相繞組的通電順序來控制步進電機的轉動。
步進電機驅動電路
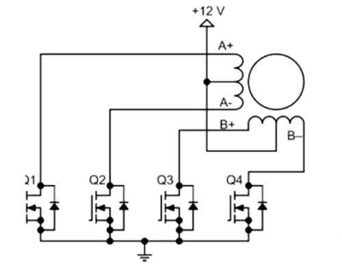
下圖是雙極性步進電機驅動電路圖,使用八顆晶體管來驅動兩組相位。雙極性驅動電路可以同時驅動四線式或六線式步進電機,雖然四線式電機只能使用雙極性驅動電路,它卻能大幅降低量產型應用的成本。


步進電動機不能直接接到工頻交流或直流電源上工作,而必須使用專用的步進電動機驅動器,如圖2所示,它由脈沖發生控制單元、功率驅動單元、保護單元等組成。
圖中點劃線所包圍的二個單元可以用微機控制來實現。驅動單元與步進電動機直接耦合,也可理解成步進電動機微機控制器的功率接口,這里簡單介紹。


簡易的步進電機驅動電路圖
下圖的步進電機驅動電路用到了4個8050三極管,4個1N4007二極管,4個2K電阻。

〈烜芯微/XXW〉專業制造二極管,三極管,MOS管,橋堆等,20年,工廠直銷省20%,上萬家電路電器生產企業選用,專業的工程師幫您穩定好每一批產品,如果您有遇到什么需要幫助解決的,可以直接聯系下方的聯系號碼或加QQ/微信,由我們的銷售經理給您精準的報價以及產品介紹

〈烜芯微/XXW〉專業制造二極管,三極管,MOS管,橋堆等,20年,工廠直銷省20%,上萬家電路電器生產企業選用,專業的工程師幫您穩定好每一批產品,如果您有遇到什么需要幫助解決的,可以直接聯系下方的聯系號碼或加QQ/微信,由我們的銷售經理給您精準的報價以及產品介紹
聯系號碼:18923864027(同微信)
QQ:709211280

