利用二極管的單向導電性可以使信號在預置的電平范圍內有選擇地傳輸一部分,這種按限定的范圍削平信號電壓波幅功能稱為限幅或削波。
(1)簡單的串聯(lián)型限幅電路
這個就是半波整流電路,這里就不做過多的介紹。
(2)偏置的串聯(lián)型限幅電路

圖1 偏置的串聯(lián)型限幅電路
以圖1(1)的電路來分析,Ui輸入信號是正弦波,當Ui>V F -E1時二極管導通,輸出U O =Ui+E1-V F 。
當Ui< V F - E1時輸出為二極管截止,輸出為0V。
(2)、(3)、(4)分析方法與(1)一致,這里就不作分析了。每一個電路輸出的波形如下。

圖1 串聯(lián)型限幅電路輸入與輸出的關系
(3)簡單的并聯(lián)型限幅電路
與簡單的串聯(lián)型限幅電路類似,只是并聯(lián)型的輸出不會像串聯(lián)型一樣輸出比輸入少二極管的一個正向壓降。
(4)偏置的并聯(lián)型限幅電路

圖3 偏置的并聯(lián)型限幅電路
以圖3(1)的電路來分析,Ui輸入信號是正弦波,當Ui>VF+E1時二極管導通,輸出被限制到UO= VF+E1。
當Ui< VF+E1時輸出為二極管截止,輸出為Ui。
(2)、(3)、(4)分析方法與(1)一致,這里就不作分析了。每一個電路輸出的波形如下。

圖4 并聯(lián)型限幅電路輸入與輸出的關系圖
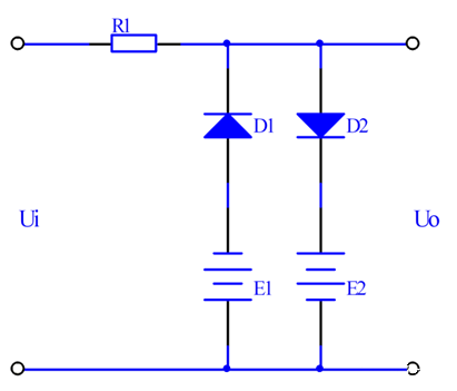
(5)雙向限幅電路
雙向限幅電路時在IC和IO口附近經(jīng)常能看見,是比較常用的電路。雙向限幅電路也是有簡單型和加偏置型,這里我們就分析加偏置型的雙向限幅電路。

圖5 偏置的雙向限幅電路
當Ui>V F +E2時輸出為二極管導通,輸出被限制到UO= V F +E2。
當Ui

圖6 雙向限幅電路輸入與輸出的關系圖
二極管鉗位和限幅結構比較接近,容易弄混,電路區(qū)別如下:
限幅:電阻+二極管。
鉗位:電容+二極管。 為交流信號增加一個直流電平,(波形不變,沿二極管方向上移/下移)
〈烜芯微/XXW〉專業(yè)制造二極管,三極管,MOS管,橋堆等,20年,工廠直銷省20%,上萬家電路電器生產企業(yè)選用,專業(yè)的工程師幫您穩(wěn)定好每一批產品,如果您有遇到什么需要幫助解決的,可以直接聯(lián)系下方的聯(lián)系號碼或加QQ/微信,由我們的銷售經(jīng)理給您精準的報價以及產品介紹
聯(lián)系號碼:18923864027(同微信)
QQ:709211280

