避免驅動誤開通的方法
門極電阻、電容法
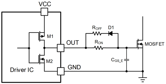
為了避免功率管的誤開通,常用的方法是通過調整門極驅動的電阻和電容,如圖所示。

圖 1. 調整門極驅動電阻和電容
通過調節RON/ROFF 的大小可以來調整 MOSFET 的開通/關斷速度:增大RON/ROFF來減慢MOSFET開通/關斷的速度,減小 dv/dt (di/dt) 從而減小門極電壓尖峰。
但另一方面,增大ROFF會使得門極驅動線路上的電阻變大,Cgd上產生的位移電流流經 ROFF后的電壓也會相應的變高,實際應用中有時增大 ROFF并不能讓電壓尖峰有效的降低。另外由于增大ROFF會使 MOSFET 的關斷速度變慢,從而使 MOSFET 的功耗增大。
在 MOSFET 的門極和源極之間并聯一個外部電容 CGS_E也可以降低門極電壓尖峰,但是它跟增大 RON/ROFF一樣, 會使 MOSFET 的整個開、關速度都變慢,從而導致整 MOSFET 的功耗增大。
米勒鉗位法
為了有效的抑制由于米勒效應帶來的門極誤開通,可以在靠近功率管的門極處放一個三極管來防止在關斷期間的誤開通,如圖。
在關斷期間,由于 Vds較高的 dv/dt 使 Vg電壓升高,此時 Q1 會導通,從而將 Vg電壓拉低防止誤開通 MOSFET。在實際的應用中要注意PCB布線的影響,Q1 要盡量的靠近功率 MOSFET 以減小 Q1、MOSFET 門極和源極之間的環路,從而降低整個環路路上的阻抗。

圖 2. 外部三極管米勒鉗位
通過將米勒鉗位引腳連接到靠近功率管門極處就能有效的抑制米勒尖峰的問題。
負壓驅動法
米勒鉗位電路能夠有效的抑制由于米勒效應引起的門極電壓尖峰,但是對于由于寄生電感引起的誤開通,米勒鉗位電路有時就不是非常的有效,此時給驅動提供負電壓是一個比較好的解決辦法。

圖 3. 利用穩壓管產生負電壓
圖3是利用穩壓管 DZ, 電阻 RZ和電容 CZ在 DZ兩端產生穩定的電壓VZ。當 OUT 出是高的時候,加在功率管門極的驅動電壓是 VCC-VZ。
而當 OUT 輸出為低的時候,加在功率管門極的驅動電壓是 -VZ。這里要注意的是驅動電流需要流經 CZ這個電容,為了保持 VZ電壓的穩定,CZ的容值不能太小。

圖 4. 利用隔直電容產生負壓
圖4是利用隔直電容 CB來產生一個電壓 VCB,從而在 OUT 輸出為低的時候在功率管的門極提供負的 VCB 驅動電壓。在輸出為高的時候,加在功率管兩端的門極電壓為 VCC-VCB。
VCB這個電壓跟驅動信號的占空比(Duty)相關,VCB=VCC× Duty,所以這個電路比較適合用于占空比較穩定的電路中。這個電路中的穩壓管 DZ主要是用于鉗位 VCB電壓,防止在大占空比下 VCB電壓過高。
對于驅動電路中的誤開通,需要根據實際的情況進行分析并加以解決。調整功率器件的開關速度能減小電壓尖峰,但是它或降低整個系統的效率。米勒鉗位電路對于因米勒效應引起的門極尖峰有很好的抑制作用。
PCB 走線對于門極電壓的尖峰有很大的影響,要盡量減小 PCB 走線帶來的寄生參數。負壓驅動能很好的解決門極電壓尖峰問題,但是它的代價是需要額外的負電壓或額外的輔助器件。
〈烜芯微/XXW〉專業制造二極管,三極管,MOS管,橋堆等,20年,工廠直銷省20%,上萬家電路電器生產企業選用,專業的工程師幫您穩定好每一批產品,如果您有遇到什么需要幫助解決的,可以直接聯系下方的聯系號碼或加QQ/微信,由我們的銷售經理給您精準的報價以及產品介紹
聯系號碼:18923864027(同微信)
QQ:709211280

