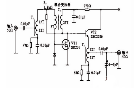
負反饋放大電路圖(一)
電路原理:圖示為一種采用負反饋方式的寬帶放大電路,該電路放大器均采用變壓器耦合方式,放大部分采用場效應晶體管和晶體三極管相結合的方式。
電路中,輸入信號經耦合電容器加到變壓器TI繞組的中心抽頭,再經變壓器T2的初級繞組加到場效應晶體管的柵極上,這種方式具有阻抗轉換的功能,將50n輸入阻抗提高到200n,變壓器Tz的次級繞組又是VT1的滿極負載,放大器的增益取決于T2的次級繞組(25/3=8,33)。
VT2是射極輸出放大器方式,通過線圈抽頭的選擇可得到5011的輸出阻抗。

負反饋放大電路圖(二)
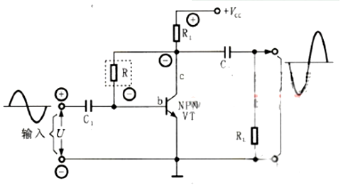
圖1為兩級共射放大電路,圖2為帶有電壓串聯負反饋的兩級共射放大電路,其反饋網絡由R11,C6,R4組成,它可構成交流負反饋電路。

靜態工作點分析
由于采用的是交流負反饋,理論上分析加入反饋網絡后電路的直流工作狀態應該不變。在Protel99se平臺上,選擇Simulate下拉菜單,點擊Run項,在*.sdf圖下方點擊OpraTIngPoint就可顯示圖1和圖2電路的靜態工作點,發現兩個電路的靜態工作點是相同的,這與理論分析結果一致。

負反饋放大電路圖(三)
并聯負反饋放大器
如圖3-33所示為常見并聯負反饋放大器。其中電阻器R為電壓負反饋元件,電阻器R的左端直接與輸入端相連,右端又直接與輸出端相連,將輸入與輸入回路聯系起來了。

首先假設某瞬時輸入信號為正極(+),由于共發射極晶體管放大器輸出的電壓極性與輸入的相反,為負極(-),通過反饋元件R,將負極性的反饋信號加到基極(b),與信號源假設極性相反,使電壓減小,所以反饋元件R為負反饋。
然后,將放大器的輸出端對地交流短接,通過電容器C2晶體管集電極就會交流接地,此時就沒有信號通過負反饋元件R反饋到晶體管基極上,電路就不存在負反饋信號了,所以這是電壓負反饋電路。
〈烜芯微/XXW〉專業制造二極管,三極管,MOS管,橋堆等,20年,工廠直銷省20%,上萬家電路電器生產企業選用,專業的工程師幫您穩定好每一批產品,如果您有遇到什么需要幫助解決的,可以直接聯系下方的聯系號碼或加QQ/微信,由我們的銷售經理給您精準的報價以及產品介紹
聯系號碼:18923864027(同微信)
QQ:709211280

