晶閘管簡介
晶閘管(SCR),舊稱可控硅,是一種可控型整流元件,其電路符號A為陽極,K為陰極,G為控制極。
晶閘管性能判別

(1)判別電極用紅表棒固定接觸任一電極不變,黑表棒分別接觸其余兩個電極,如果接觸一個極時一次顯示0.2~0.8V,接觸另一個電極時顯示溢出,則紅表棒所接的為G,顯示溢出時黑表棒所接的為A,另一極為K。
若測得不是上述結果,需將紅表棒改換電極重復以上步驟,直至得到正確結果。
(2)判別觸發特性數字萬用表二極管擋所能提供的測試電流僅有1mA左右,故只能用于考察小功率單向晶閘管的觸發能力。
操作方法如下:用紅表棒固定接觸A不變,黑表棒接觸K,此時應顯示溢出(關斷狀態)。接著將紅表棒在保持與A接通的前提下去碰觸G,此時顯示值一般在0.8V以下(轉為導通狀態)。隨即將紅表棒脫離控制極,導通狀態將繼續維持。
如果反復多次測試都是如此,說明管子觸發靈敏可靠。這種方法只適用于維持電流較小的管子。
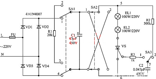
晶閘管性能判別電路
晶閘管性能判別電路如圖所示。
電路工作原理
按圖所示的方法接好被測試晶閘管VS后,接通交流電源。220V交流電壓經VD1~VD4整流以及電容器C1濾波后,輸出直流電壓并加在被測試晶閘管兩端。
與此同時,直流電壓還通過電阻器R2對電容器C2充電,為檢查晶閘管作好準備。

操作開關 SA3,使其接點(2—7)斷開,接點(1—7)接通,晶閘管的門極G獲得觸發電壓而導通,EL1、EL2 同時點亮。如果操作開關 SA3 后,EL1、EL2 沒有點亮,則表示晶閘管已損壞。
如果第一步檢查通過,可將 SA1 打到另一擋(2、3),切斷直流電源的供電回路,電容器C1儲存的能量通過電阻器R1釋放,EL1、EL2熄滅。
然后將選擇開關SA2打到右邊,即接點(2—5)、(1—6)接通,使SA1開關回到初始位置(1、4)。因此,晶閘管VS獲得反向直流電壓。
在晶閘管未加觸發電壓的情況下,如果 EL1、EL2 點亮,則表示晶閘管不能承受300V 反向電壓。按照指標規定耐壓應能達到或超過 300V 而實際不能承受時,視被測試管為不合格。
本電路不僅可以用來測試單向晶閘管,還可以通過操作 SA2 對雙向晶閘管提供兩個象限的測試。當SA2在“1”位時,進行第一象限測試;當SA2在“2”位時,進行第三象限測試。判別方法和單向晶閘管一樣。
注意事項
① 由于本電路用來測試的是大功率、高電壓晶閘管,因此要注意測試安全。當需要操作晶閘管時,應對電容器C1放電。在測試過程中,不要用手直接搖動被測試器件。
② 如果要用本電路對低電壓、大功率晶閘管的性能進行測試,則可在交流電源輸入端加入一臺自耦調壓器,選擇合適的電壓后再進行測試。圖中的電阻可根據實際需要作相應的變更。
電話:18923864027(同微信)
QQ:709211280
〈烜芯微/XXW〉專業制造二極管,三極管,MOS管,橋堆等,20年,工廠直銷省20%,上萬家電路電器生產企業選用,專業的工程師幫您穩定好每一批產品,如果您有遇到什么需要幫助解決的,可以直接聯系下方的聯系號碼或加QQ/微信,由我們的銷售經理給您精準的報價以及產品介紹

