安規電容之所以稱之為安規,它是指用于這樣的場合:即電容器失效后,不會導致電擊,也不危及人身安全。安規電容包含X電容和Y電容兩種,它普通電容不一樣的是,普通電容即使在外部電源斷開之后,它內部儲存電荷依然會保留很長一段時間,但是安規電容不會出現這個問題。安規電容大多數為藍色、黃色、灰色以及紅色等。
1.簡介
1.1安規X電容
X電容是跨接在電力線兩線之間,即“L-N”之間,X電容器能夠抑制差模干擾,通常采取金屬化薄膜電容器,電容容量是uF級。X電容多數是方型,也就是類似于盒子的形狀,在它的表面一般都標有安全認證標志、耐壓字樣(一般有AC300V或AC275V)、依靠標準等信息。X電容雖然是CBB電容的一種,但是并不是每一種CBB電容就能做X電容必須要達到安規標準。

X電容
1.2Y電容
Y電容通常都是陶瓷類電容器,一般成隊出現,多數是扁圓形外觀,顏色呈現藍色,能夠抑制共模干擾,Y電容容量是nF級?;诼╇娏鞯闹萍s,Y電容量不可很大。Y電容多數適用于隔離場合,按照IEC標準,Y1產品電氣間隙最小為8.0㎜,Y2產品電氣間隙不低于6.3㎜,作為隔離產品,安全距離要做夠,避免高壓通電發生拉弧現象。

Y電容
2.耐壓選擇
X型安規電容:根據耐壓分為 X1、X2、X3三種,安規電容安全等級中允許的峰值脈沖電壓過電壓等級:2.5kV。

Y型安規電容:安全等級:Y1≥250V,允許峰值脈沖電壓>8KV;150V≤Y2≤300V,允許峰值脈沖電壓>5KV,Y4<150V,允許峰值脈沖電壓>2.5KV。

不同電路選擇不同的耐壓值的安規電容,不能過大也不能過小,對于X電容來說,很多時候都選用X2電容。
3.認證類型
不管是什么元器件,只要是正規的都要有認證,安規認證還包括產品安全認證、環境認證、能源認證,不同國家有不同的安規規定,有些規定了強制認證,認證有很多,比如中國CQC認證、德國的VDE認證、美國的UL認證、歐盟的ENEC認證、韓國的KC認證等。選擇安規電容時候要根據不同場合不同國家選擇不同的認證的元器件。
4.應用
4.1X電容
①抑制電磁干擾
抗電磁干擾是X電容最常見的作用,一般兩根引腳跨接在零線和火線之間,適用于高頻、直流、交流、耦合,跨接脈沖電路中,能夠能承受過壓沖擊,一般與電阻并聯使用,目的是起到泄放電荷作用;如下圖:

抑制電磁干擾電路圖
①阻容降壓
阻容降壓也是X電容經常用到的,特別對于成本低廉成品,電容降壓的工作原理是利用電容在一定的交流信號頻率下產生的容抗來限制最大工作電流。同時在電容器上串聯一個阻性元件,則阻性元件兩端所得到的電壓和它所產生的功耗完全取決于這個阻性元件的特性。因此,電容降壓實際上是利用容抗限流,而電容器實際上起到一個限制電流和動態分配電容器和負載兩端電壓的角色。如下圖:

阻容降壓電路圖
X2安規電容器可以用作直流濾波使用,可以并聯使用。
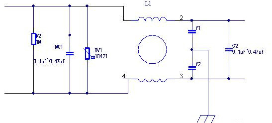
4.2Y電容
很多隔離式開關電源在初級和次級上加Y電容是為了給次級的共模電流提供一個回路到初級,減少共模電流對輸出的影響。Y電容串接在高壓地和低壓地之間,有時會采用兩個Y電容串聯是為了提高高壓地和低壓地之間之間的耐壓,有時候會出現耐壓不足的情況,導致安規電容打耐壓過不了,可以選用高壓陶瓷電容作為Y電容,Y電容通常接法有四種情況:
①輸入端,和共模電感形成濾波器,L和N分別對PE加;
②儲能大電容正負端對PE加;
③輸出端對PE加;
④變壓器原副邊跨接。

Y電容應用電路圖
本文總結了X電容與Y電容的簡介、耐壓選擇以及應用。目前安規電容的應用是十分廣泛,廣泛應用于小家電產品、電源產品、機電馬達,LED燈飾、充電器、不間斷電源等等。
電話:18923864027(同微信)
QQ:709211280
〈烜芯微/XXW〉專業制造二極管,三極管,MOS管,橋堆等,20年,工廠直銷省20%,上萬家電路電器生產企業選用,專業的工程師幫您穩定好每一批產品,如果您有遇到什么需要幫助解決的,可以直接聯系下方的聯系號碼或加QQ/微信,由我們的銷售經理給您精準的報價以及產品介紹

