LM741系列是通用運算放大器,具有比LM709等行業標準更高的性能。在大多數應用中,它們是709C、LM201、MC1439和748的直接插件替代品。LM741C與LM741和LM741A完全相同,只是LM741C的性能在0°C至+ 70°C的溫度范圍內保證,而不是-55°C至+ 125°C。本文將介紹由LM741構成的電容測量電路。
電路設計
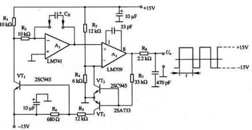
由LM741等構成的電容測量電路如圖1所示,該電路的測量原理是被測電容Cx充、放電而形成三角波,測量三角波的振蕩周期就可知電容量的大小。由A1 可構成密勒積分電路,經A2構成的施密特電路形成正反饋而產生振蕩。其振幅由R4和R3決定,等于電源電壓的1/3。Cx的充電電流由電源電壓和R2決定,放電電流由電源電壓和(R1+R2)決定。從原理上講,振蕩周期應不受電源電壓的影響,但實際上,由于A2差動輸入電壓的限制與晶體管驅動電路的常數等影響,故不允許電源電壓大幅度的變動。電源電壓的范圍為±13~±15V,正、負電源電壓的絕對值需要相等。
不接電容Cx時,A2以延遲約20μS的時間進行振蕩,可以計算出Cx對此進行補償。Cx電容量為1000μF時的測量時間為10S。若R1和R2采用1KΩ的電阻,則測量時間可縮短到1/10。
電路輸出U。外接計數器,就可以讀出被測電容的容量。

圖1 電容測量電路
LM709經R7、VT2到負輸入端形成正反饋,構成施密特觸發器。
當LM709輸出高電平時,VT2飽和導通,VT2的C極電壓為0V。VT3、VT1都截止,+15V電源經過R1、R2對Cx充電,LM741的輸出電壓逐漸下降。當它降到0V時,施密特翻轉,輸出電壓變低電平(-15V)。此時VT2變截止,VT2的C極電壓升至+5V,鞏固了LM709的低電平輸出狀態。同時VT3、VT1獲得基極電流而導通,Cx經過R2和-15V電源反向充電,LM741的輸出電壓逐漸升高。當它升高到+5V時,施密特再次翻轉,輸出變高電平,完成一個周期。以上過程重復進行,就形成周期振蕩。
電話:18923864027(同微信)
QQ:709211280
〈烜芯微/XXW〉專業制造二極管,三極管,MOS管,橋堆等,20年,工廠直銷省20%,上萬家電路電器生產企業選用,專業的工程師幫您穩定好每一批產品,如果您有遇到什么需要幫助解決的,可以直接聯系下方的聯系號碼或加QQ/微信,由我們的銷售經理給您精準的報價以及產品介紹

