目前鐵路信號燈主要采用雙絲白熾燈作為光源,但因其壽命問題,始終制約著信號燈的發展。隨著LED光源的出現,尤其是大功率LED技術的日趨成熟,采用LED作為信號燈光源就逐漸成為一種趨勢。而實現LED光源高可靠性的關鍵技術,則是驅動電源的設計。為此,提出一種基于LM2576和AD8217芯片實現的高精度恒流電源設計方案,具有精度高、穩定性高等特點。
1.硬件設計
高精度恒流電源總體框圖如圖1所示,主要由降壓整流濾波電路、門限電路、開關穩壓集成電路和恒流反饋電路4部分組成。

圖1 高精度恒流電路總體框圖
1.1降壓整流濾波電路
采用工頻線繞R型變壓器進行降壓處理,使用橋式整流電路和濾波電容進行整流濾波,輸出相對穩定的直流電源。
1.2門限電路
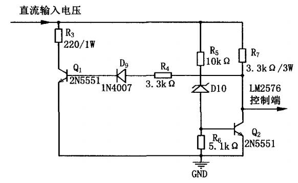
為了避免信號燈在異常干擾電壓下誤觸發點燈,設置了啟動門限,即必須大于門限電壓閾值才可點燈。門限電路原理如圖2所示。當輸入電壓值小于門限值時,Q1導通,Q2截止,此時消感應電阻R3接通,LM2576電源電路關閉,信號燈不會被點亮;當輸入電壓值大于等于門限值時,Q1截止,Q2導通,消感應電阻R3斷開,LM2576電源電路打開,信號燈將會被點亮。

圖2 門限電路原理圖
1.3開關穩壓集成電路
采用以LM2576系列開關穩壓集成芯片為核心的開關型電源電路,具有效率高、穩定性好等特點。LM2576是美國國家半導體公司生產的3A電流輸出降壓開關型集成穩壓電路,內含固定頻率振蕩器(52kHz)和基準穩壓器(1.23V),并具有完善的保護電路,包括電流限制及熱關斷電路等,外圍僅需較少器件即可構成高效的恒流穩壓電路。采用的LM2576-ADJ可調式穩壓芯片,通過控制輸入反饋信號實現恒流穩壓。開關穩壓集成電路原理如圖3所示。LM2576控制端口連接門限電路,當滿足閾值要求時打開電源;LM2576反饋端口連接恒流反饋電路,輸出恒定電流以滿足信號燈點燈要求。

圖3 開關穩壓集成電路原理圖
1.4恒流反饋電路
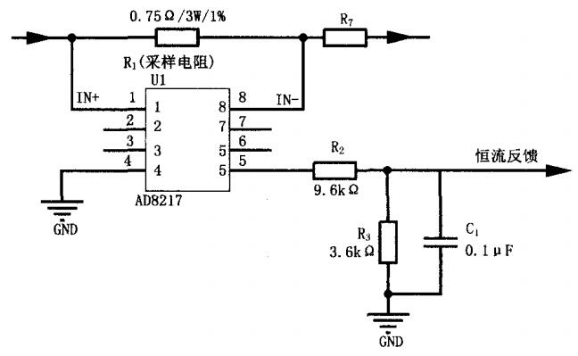
采用以AD8217分流放大器為核心的電路,具有穩定性好的特點。AD8217是一款高壓、高分辨率分流放大器,設定增益為20V/V,在-40℃~+125℃寬溫度范圍內的最大增益誤差為±0.35%,緩沖輸出電壓可以直接與任何典型轉換器連接。AD8217可以提供從4.5~80V的共模抑制性能,并內置一個LDO(低壓降穩壓器),無需電源供電。AD8217芯片引腳輸出簡單,僅包含同向輸入IN+、反向輸入IN-、輸出OUT和接地GND。
恒流反饋電路原理如圖4所示。設定信號燈恒流300mA,點燈回路中采樣電阻R1取值0.75Ω,恒流反饋分壓電阻R3取值3.6KΩ。LM2576反饋電壓輸入值為1.23V,根據計算式0.75×0.3×20×3.6/(R2+3.6)=1.23,計算結果R2=9.57≈9.6KΩ,反算恒流值I=300.6mA。

圖4 恒流反饋原理圖
2.試驗
設計的恒流電源能夠驅動大功率LED鐵路信號燈,分別在低溫-40℃、常溫+20℃和高溫+70~C條件下,進行電流測試。測試結果如表1所示。
結論
本文總結了基于LM2576和AD8217的高精度恒流電源設計方案。經試驗結果表明:該恒流電源溫漂小,且恒流精度高,能夠作為鐵路大功率LED信號燈驅動電源,確保信號燈顯示穩定可靠。該點式LED信號燈產品已經在濟南局試點應用,效果良好,推薦在全路范圍內推廣使用。
電話:18923864027(同微信)
QQ:709211280
〈烜芯微/XXW〉專業制造二極管,三極管,MOS管,橋堆等,20年,工廠直銷省20%,上萬家電路電器生產企業選用,專業的工程師幫您穩定好每一批產品,如果您有遇到什么需要幫助解決的,可以直接聯系下方的聯系號碼或加QQ/微信,由我們的銷售經理給您精準的報價以及產品介紹

