PLC 外表硬邦邦,看起來是個黑盒子,一般廠家只會給出輸入輸出端子接線圖,根據端子接線圖就可以了。而電路的本質還是要形成回路,每個輸入端對應一個回路,同樣每個輸出端也對應一個輸出回路,只要回路閉合,就會產生電流,輸入或者輸出狀態變化了,就會產生外邊電路和 PLC 之間實現連接。
實際上 PLC 有很多個獨立的開關點輸入和輸出,同時會有一個公共端 COM(或者 S/S 等),每個開關量輸入對應一個端子比如 X0(或者 I0),每個開關量輸出也會對應一個端子比如 Y0(或者 O0),比如把要輸入的開關量的一段接 X0,另外一端接公共端 COM,開關動作時候,就會讓 X0 信號的狀態發生改變。


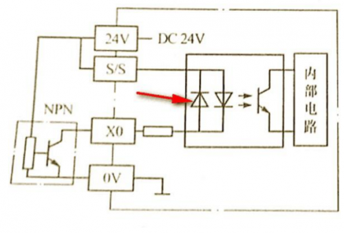
現在的 PLC 基本上不管輸入信號是 NPN 還是 PNP 類型的,都可以接受了,因為使用了雙向類型的光耦,里邊有兩個方向的發光二極管,電流可以兩個方向流動,只要你接對線就好。早期一些日系的 PLC 只可以接受 NPN 信號,也就是輸入信號只能是低電平進來,這樣電流是往外“漏”的,所以是所謂的漏型輸入,漏型的輸入公共端 COM(S/S)是接地的 .
而另外一種是只可以接受 PNP 型號的,也就是輸入信號只可以是高電平進去的,這樣電流是通過外部電源流入的,所以叫源型輸入,源型的輸入公共端 COM(S/S)是接正極的。同樣道理,晶體管輸出也會面臨這個問題,因為晶體管輸出,一般也是有 NPN 或者 PNP 這類型的三極管(或者類似結構的場效應管)來給外圍電路。


比如上圖是 NPN 類型的輸出示意圖,一般 PLC 都會有了內阻的上拉電阻(如果沒有的要外加),output 信號線,就是 PLC 輸出端子上的(Y0 或者 O0 之類),而且使用時候要留意最大的輸出電流,計算負載這邊的阻抗,不然可能會燒掉。
同樣也會有 PNP 類型的輸出結構,里邊核心就是一個 PNP 型三極管,對地會有個下拉電阻,而 output 信號線,同樣對應 PLC 輸出端子上的(Y0 或者 O0 之類)。至于繼電器輸出,是無源觸點,所以沒有方向之分,不用考慮什么共地或者共陽問題,隨便接都沒有問題。
比如高速計數端口,因為考慮到高速光耦比普通的貴,而且很多單片機只有某些端口是可以高速響應的同樣模擬量模塊也是一個道理,也會指定一些 I/O 有這些功能,也需要看手冊來接。而且需要注意輸入模擬量的范圍,還有信號的性質是電壓還是電流類型,有些需要外加電阻來轉換的。
不管是何種功能,接線的方法和普通 I/O 沒有本質區別,只要形成回路就可以了。不過這些特殊 I/O 或者外加的功能模塊,因為傳輸的數據量比較大,頻率比較高,往往需要使用頻率線或者雙絞電纜之類來完成,避免信號受到干擾。
烜芯微專業制造二極管,三極管,MOS管,橋堆等20年,工廠直銷省20%,4000家電路電器生產企業選用,專業的工程師幫您穩定好每一批產品,如果您有遇到什么需要幫助解決的,可以點擊右邊的工程師,或者點擊銷售經理給您精準的報價以及產品介紹
烜芯微專業制造二極管,三極管,MOS管,橋堆等20年,工廠直銷省20%,4000家電路電器生產企業選用,專業的工程師幫您穩定好每一批產品,如果您有遇到什么需要幫助解決的,可以點擊右邊的工程師,或者點擊銷售經理給您精準的報價以及產品介紹

