場效應管柵極與源極之間加一個電阻,這個電阻起到什么作用?
一是為場效應管提供偏置電壓;二是起到瀉放電阻的作用:保護柵極G-源極S;
第一個作用好理解,這里解釋一下第二個作用的原理——保護柵極G-源極S:場效應管的G-S極間的電阻值是很大的,這樣只要有少量的靜電就能使他的G-S極間的等效電容兩端產生很高的電壓,如果不及時把這些少量的靜電瀉放掉,他兩端的高壓就有可能使場效應管產生誤動作,甚至有可能擊穿其G-S極;這時柵極與源極之間加的電阻就能把上述的靜電瀉放掉,從而起到了保護場效應管的作用。
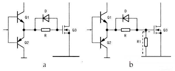
看一個具體的例子:MOS管在開關狀態(tài)工作時,Q1、Q2是輪流導通,MOS管柵極在反復充、放電狀態(tài),如果在此時關閉電源,MOS管的柵極就有兩種狀態(tài):一種是放電狀態(tài),柵極等效電容沒有電荷存儲;另一個是充電狀態(tài),柵極等效電容正好處于電荷充滿狀態(tài),如下圖a所示。雖然電源切斷,此時Q1、Q2也都處于斷開狀態(tài),電荷沒有釋放的回路,但MOS管柵極的電場仍然存在(能保持很長時間),建立導電溝道的條件并沒有消失。這樣在再次開機瞬間,由于激勵信號還沒有建立,而開機瞬間MOS管的漏極電源(V1)隨機提供,在導電溝道的作用下,MOS管立刻產生不受控的巨大漏極電流Id,引起MOS管燒壞。為了避免此現象產生,在MOS管的柵極對源極并接一只泄放電阻R1,如下圖b所示,關機后柵極存儲的電荷通過R1迅速釋放,此電阻的阻值不可太大,以保證電荷的迅速釋放,一般在五千歐至數十千歐左右。
灌流電路主要是針對MOS管在作為開關營運用時其容性的輸入特性,引起“開”、“關”動作滯后而設置的電路,當MOS管作為其他用途,例如線性放大等應用時,就沒有必要設置灌流電路。

烜芯微專業(yè)制造二極管,三極管,MOS管,橋堆等,20年,工廠直銷省20%,1500家電路電器生產企業(yè)選用,專業(yè)的工程師幫您穩(wěn)定好每一批產品,如果您有遇到什么需要幫助解決的,可以直接聯(lián)系上方的聯(lián)系號碼或加QQ,由我們的銷售經理給您精準的報價以及產品介紹

烜芯微專業(yè)制造二極管,三極管,MOS管,橋堆等,20年,工廠直銷省20%,1500家電路電器生產企業(yè)選用,專業(yè)的工程師幫您穩(wěn)定好每一批產品,如果您有遇到什么需要幫助解決的,可以直接聯(lián)系上方的聯(lián)系號碼或加QQ,由我們的銷售經理給您精準的報價以及產品介紹

