光線檢測器可以簡單由LDR與方波生成器連接而成。而本項目中,我們的方波生成器將以555定時器來實現非穩態多諧振蕩器。該電路的主要基于LDR的工作原理,在深入了解LDR電路之前,我們需要知道LDR的基礎。以下圖片是幾種不同的LDR。


什么是LDR?
LDR由半導體材料制成,并激活了它們的光敏特性。組成材料有很多種,但最為流行的就是硫化鎘(CdS)。這些LDR或者說是光敏電阻的工作原理基于“光電導性”。該特性就是當LDR的表面有光線時,其電導率就會增加,換句話說LDR的阻值就會減小。而這一電阻減小的特性基于其表面的半導體材料。
以下即光線檢測電路,555定時器被配置為自由運行狀態(非穩態),這樣當光線強度低于某個特定值時會生成方波。
所需元器件
+5 ~ +10V電源
555定時器
100kΩ電阻
22kΩ電阻
10kΩ電阻
1MΩ的滑動變阻器(電位計)
104(100nF)電容
2N3906三極管
LDR
揚聲器(25Ω,0.5W)
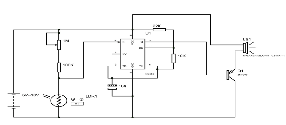
電路圖


上圖及光線檢測報警器的電路圖。稍微觀察一下我們可以看出該電路與非穩態多諧振蕩器類似,這是因為該電路只改動了一處。那就是RESET引腳(引腳4)。在普通的非穩態振蕩器中,該引腳與+5V相連,但考慮到我們要在光線缺失的情況下生成方波脈沖,我們不會將其直接與+5V相連。其RESET引腳上的電阻網絡提供了一個虛擬地,所以可以不斷重置IC,方波輸出也會在有光線的情況下停止。
這里的三極管則用來驅動揚聲器,因為直接由555定時器來驅動并不是一個好主意。此處的揚聲器也可以換成LED,從而創造一個根據光線產生反應的輸出。這樣哪怕陷入黑暗后,我們也有一個備用光。
這里的三極管并非需要強制使用PNP,可以替換為NPN,但引腳連接需要做出相應的調整。
工作原理
在進一步解釋前,電路首先要處于開啟狀態,且在有光條件下蜂鳴器不會響。該狀態可以調整1MΩ的滑動變阻器來實現。然后我們來看電路中的分壓網絡,一端為1MΩ和100kΩ的電阻,一端為LDR,RESET引腳連接到兩者之間。我們可以調整滑動變阻器讓其有足夠的阻值,并在分壓網絡的上端造成全部電平的壓降(+5V)。這就讓分壓器的中點成了虛擬地(RESET引腳)。考慮到555定時器的RESET引腳為低電平觸發,所以定時器會持續處于重置模式,也就不會產生方波。從這我們可以得出,當有光線的情況下,555定時器為重置狀態且沒有輸出。
當LDR陷入黑暗后,LDR的阻值會急劇增加,于是會改變分壓網絡的比例。出現這種情況后,分壓網絡節點的電位會從0V升到2V(左右)。這段電平改變會使555定時器脫離重置模式。一旦脫離重置模式后,定時器就會開始生成方波。
方波導入PNP三極管后驅動揚聲器,并生成報警信號。
常見錯誤
調整滑動變阻器后揚聲器還在響
原因和解決辦法:
1.LDR可能阻值過大,使得RESET引腳上仍有不小電位。改成將100kΩ的電阻與1MΩ的滑動變阻器串聯。
2.查看RESET引腳(引腳4)是不是不小心與+5V的電源線相連了。
哪怕在黑暗情況下也揚聲器也沒有響聲
原因和解決辦法:
LDR可能并沒有產生在RESET引腳上產生足夠電位。將一個滑動變阻器與LDR相連,并調整滑動變阻器到出現響聲為止。
三極管發熱
解決辦法:在三極管的基極放一個100Ω的電阻。
烜芯微專業制造二極管,三極管,MOS管,橋堆等20年,工廠直銷省20%,4000家電路電器生產企業選用,專業的工程師幫您穩定好每一批產品,如果您有遇到什么需要幫助解決的,可以點擊右邊的工程師,或者點擊銷售經理給您精準的報價以及產品介紹
烜芯微專業制造二極管,三極管,MOS管,橋堆等20年,工廠直銷省20%,4000家電路電器生產企業選用,專業的工程師幫您穩定好每一批產品,如果您有遇到什么需要幫助解決的,可以點擊右邊的工程師,或者點擊銷售經理給您精準的報價以及產品介紹

