1.電容式傳感的基本原理
電容傳感技術為開發人員提供了一種與用戶互動的全新方式,在設計一個電容感應式觸摸開關時,需要考慮許多不同的因素。從以往的使用經驗來看,在各種不同的工作條件下,開關的靈敏性必須與多種情況相兼容。本節我們要討論在設計電容感應式觸摸開關PCB觸點圖形時,各種不同的排板設計對開關靈敏度的影響,包括電容式傳感技術如何使器件具有更高的可靠性以及管理電容式傳感技術的控制器如何通過提供更多功能為客戶帶來增值服務和降低維護成本。
觸摸傳感電容開關不帶任何機械部件,并能輕松順應曲面應用的要求,因而能夠成為當前各類產品應用的理想技術。利用動態再配置功能,我們可實現硬件的重復使用,在不增加額外成本的情況下實現更多的系統功能。
如下圖所示,電容式開關主要由兩片相鄰的電路極板構成,而根據物理原理,兩片極板之間會產生電容。如果手指等導體靠近這些極板,平行電容(parallelcaPACi-tance)就會與傳感器相耦合。將手指置于電容式傳感器上時,電容量會升高;移開手指,電容量則會降低,通過測量電容量就可以判斷手指的碰觸。


電容式傳感器由兩片電路極板及相互之間的一定空間所構成。這些電路極板可以是電路板的一部分,上面直接覆蓋絕緣層,當然,也可以使極板順應各種曲面的弧度。
構建電容式開關的要素包括:電容器、電容測量電路系統、從電容值轉換成感應狀態的局部智能裝置。
典型的電容式傳感器電容值介于10~30pF之間。通常來說,手指經由Imm絕緣層接觸到傳感器所形成的耦合電容介于1~2pF的范圍。越厚的絕緣層所產生的耦合電容愈低。若要傳感手指的觸碰,必須實現能夠檢測到1%以下電容變化的電容傳感電路。
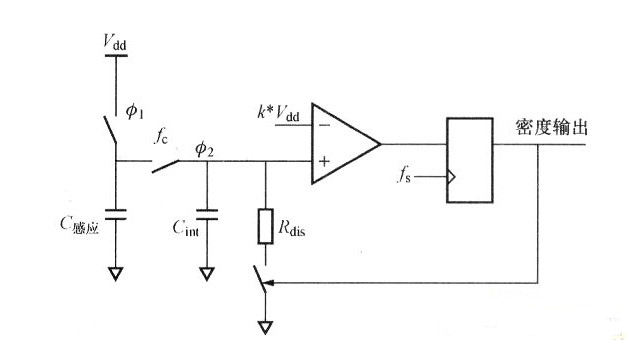
增量求和調制器是一種用于測量電容的高效、簡單的電路,下圖給出了典型的拓撲結構。相位開關使傳感器電容向積分電容中注入電荷。該電壓持續升高,直到大于參考電壓為止。比較器轉為高電壓,使放電電阻器開始工作。在積分電壓降至參考電壓以下時,該電阻器停止工作。比較器提供所需的負反饋,使積分器電壓與參考電壓相匹配。


2.傳感器充電電流
在第1階段,傳感電容(Csensor)的充電達到供電電壓水平;在第2階段,電荷被傳輸至積分電容(Cint)。反饋使積分電容上的電壓接近參考電壓(kVdd)的值。每次啟動該開關組合都會傳輸一定量的電荷。對于下式顯示的充電電流而言,電荷傳輸的速度與開關頻率(fc)成正比


3.放電電流
放電電流通過電阻實現。在比較器高電壓時,會啟動開關以連接至放電電阻。比較器按一定比例在高、低壓間循環,以使積分電容電壓等于參考電壓??蓪⒈容^器為高電壓時的百分比定義為“DensitYout”,僅在這部分百分比的時間段放電。有關電流的計算為


在穩定狀態下,充電電流與放電電流必須匹配。設置IC使其與ID相匹配,則得到


傳感器電容與密度成正比。已知采樣頻率、放電電阻以及參考電壓(VDDK),只需測量密度就能計算出傳感器的電容??墒箙⒖茧妷号c供電電壓成正比,這樣供電電壓就對電容/密度的計算結果沒有影響了,這也使得該電路對于電源具有較強的抗波動能力。
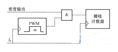
數字電路用于檢測密度,下圖給出了這種電路的范例。


該脈寬調制器(PWM)可控制密度輸入至計數器(enablegate),如果PWM的脈寬為“m”個周期,假設在這段時間中計數器積累了“n”個采樣,那么密度則為n/m;如果PWM的脈寬為100個周期,就會得到1/100的分辨率,這個時間再擴大10倍,則得到1110000的分辨率。觀測的周期數越大,分辨率也就越高。
機械開關比較容易磨損,甚至磨壞產品外殼,導致缺口或裂口處侵入污染物。電容式傳感器就不會發生損壞產品外殼的情況,也不會出現缺口粘連物,更不會出現磨損。因此,采用這種技術的開關器件是替代多種機械開關產品的理想選擇。
4.對開關靈敏度的影響
光有一個觸摸感應開關是不能使用的,除非系統能可靠測定開關所處的狀態。使用機械開關來實現電氣連接是沒問題的,如果機械開關能合理地連接,那么能正確地決定開或關的狀態。使用感應觸摸開關時,開關所處的狀態有時很難明顯界定。
電容感應式觸摸開關在實際應用時,可能會出現:當使用者的手指在碰到觸摸開關時,觸摸感應開關端的電容還沒有充分地充電而手指已經離開了觸摸點,那這時開關的狀態處于何種狀態呢?因此當手指碰觸時,為了增加檢測開關的可靠性,使電容充電最佳化,下列幾項內容對充電電容的性能參數影響較大。
(1)尺寸、形狀和在PCB上的開關放置位置。
(2)連接在PCB和使用者手指之間的材料。
(3)連接到開關與MCU之間連線參數。
上述這些條件,對觸摸式感應開關的靈敏度都有直接的影響,因此必須正確設計感應開關。
5.觸摸感應開關的PCB圖形
為了獲得“開關電容PCB圖形”,下圖給出了觸摸感應開關的12種PCB設計圖形。這些感應開關具有不同的形狀與尺寸,我們將其排列成三列(A~C)、四行(1~4),其中A列與C列的尺寸是20mmX20mm,B列的尺寸是15mmX15mm.
A列與B列具有不同的尺寸,但是走線和距離是相同的;B列與C列也具有不同的尺寸,但是它們的走線和間隔是按比例增加的。下表給出了不同尺寸與不同形狀的PCB圖形具有不同的感應電容值。對于觸摸感應式開關來說,一個好的開關應具有好的靈敏性和高的感應電容值,因為這樣可將走線的寄生電容與電感的影響降到最低,對開關的影響最小。
比較下圖與下表中數據可知,A列與C列的PCB圖尺寸相同,但電容量卻不同,這是因為在A列與C列的PCB圖形中,在相同的20mm×20mm外框包圍中其內部的走線密度不同所致。比較A列與B列可知,其感應電容量不同是由于其尺寸不同所致。
在設計觸摸感應開關電容時需要考慮兩個主要因素,一個是開關電容的尺寸,另一個是其形狀,當然與觸摸開關上面連接的材料特性與厚度也有關系。




6.不同材料的影響
在許多產品中,PCB上的開關不能直接被使用者觸摸到。從美觀與對電路板的保護角度考慮,通常在PCB與使用者之間會隔著一層塑料或玻璃制品。
下表給出了在感應開關與使用手指之間采用不同材料、不同厚度對感應電容影響的百分比。
從下表中可知,在PCB與用戶手指之間放置不同材料,對感應電容影響效果是明顯的,因此在設計該類產品時,我們可以按照下面的設計規則。


(1)開關圖形的設計。無論在靜態與動態時,上圖中的第4行、第4列展示出最好的電容特性,不但圖形設計容易,而且開關特性安全可靠。
(2)為了使PCB與手指間的感應電容改變最小,需要使用最薄的材料。
(3)為了使觸摸開關具有絕對的電容量,所使用的材料需要具有更高的介電常數。
相對于在開關與其他電容之間的更高電容值,例如,走線或其他電容,在靜態或動態時,MCU能直接檢測到電容量的改變。
7.走線長度
另外一個重要因素是連接在觸摸開關與MCU之間走線的長度對開關的影響作用。
走線越長對開關的寄生電容效用越明顯,過大的寄生電容會使開關不能正常工作。如果寄生電容太大,當手指與觸摸開關接觸時,過大的寄生電容使MCU不能檢測到開關狀態的變化。通常,根據不同的開關圖形與所用的材料不同,觸摸開關感應電容一般控制在2~15pF之間是比較合理的。
在設計觸摸感應開關系統時,一個比較安全的準則是感應電容量改變0.5%時,MCU能檢測到。必須仔細檢查觸摸開關PCB圖形與走線,將感應電容設計到最小,因此,當手指碰觸時典型的電容改變量控制在總電容量的0.5%.
8.供電電壓VDD的影響
另一個設計考慮的因素是MCUVDD電壓源。VDD電壓的穩定與否,與MCU的安全可靠檢測緊密相關。因為該電壓直接影響了觸摸感應電容的充電與放電開關特性,因此在觸摸感應控制IC的VDD與Vss(地)之間必須設置旁路電容,同時前級最好用三端穩壓器供電,供電電源走線必須短而粗,切忌設計成細而長且繞圈子的形式。
9.觸摸感應開關設計
基于上述2、3點測試與設計限制的結論,在設計觸摸感應開關時要考慮使用許多通用材料,例如玻璃、樹脂塑料和ABS塑料等,為了實現有效控制和能采用多種材料,我們選擇4C開關電路圖形。即使電路開關具有最低的靜態電容,它同樣具有足夠高的寄生電容和同樣好的開關特性。下圖是最佳的開關電路尺寸與圖形。


為了防止在每個開關節點之間產生的耦合,兩個相鄰開關之間的距離至少要大于lOmm.如果距離小于10mm,那么檢測將可能發生問題,但是更合理的設計必須經過計算。
如果在開關前面覆蓋一個面板,特別要考慮其穩定性,在開關與面板之間必須緊密接觸,不能有任何縫隙存在。因為縫隙同樣能改變靜態與動態電容。
如果系統需要多個開關,下圖給出了最佳的PCB設計方案。虛線為頂層走線,按鍵同樣設計在頂層,實線是底層走。
這種排列方式能減少走線之間的寄生電容量。
為了減少走線之間的寄生電容量,在PCB布板請按照以下方式:
(1)走線寬度不要超過0.3mm.
(2)避免信號線與地線平行。
(3)保持信號線之間的距離大于Imm.
(4)避免信號線穿越地平面。
(5)避免信號線接近高頻或高變化率的電路。


鍵盤布局圖
烜芯微專業制造二極管,三極管,MOS管,橋堆等20年,工廠直銷省20%,4000家電路電器生產企業選用,專業的工程師幫您穩定好每一批產品,如果您有遇到什么需要幫助解決的,可以點擊右邊的工程師,或者點擊銷售經理給您精準的報價以及產品介紹
烜芯微專業制造二極管,三極管,MOS管,橋堆等20年,工廠直銷省20%,4000家電路電器生產企業選用,專業的工程師幫您穩定好每一批產品,如果您有遇到什么需要幫助解決的,可以點擊右邊的工程師,或者點擊銷售經理給您精準的報價以及產品介紹

