大功率mos管驅動芯片電路
功率開關器件在電力電子設備中占領著中心位置,它的牢靠工作是整個安裝正常運轉的根本條件。功率開關器件的驅動電路是主電路與控制電路之間的接口,是電力電子安裝的重要局部。它對整個設備的性能有很大的影響,其作用是將控制回路輸出的控制脈沖放大到足以驅動功率開關器件。簡而言之,驅動電路的根本任務就是將控制電路傳來的信號,轉換為加在器件控制端和公共端之間的能夠使其導通和關斷的信號。
同樣的mos管功率器件,采用不同的驅動電路將得到不同的開關特性。采用性能良好的驅動電路能夠使功率開關器件工作在比擬理想的開關狀態, 同時縮短開關時間,減小開關損耗,對安裝的運轉效率,牢靠性和平安性都有重要的意義。因而驅動電路的優劣直接影響主電路的性能,驅動電路的合理化設計顯得越來越重要。晶閘管體積小,重量輕,效率高,壽命長,運用便當,能夠便當的停止整流和逆變,且能夠在不改動電路構造的前提下,改動整流或逆變電流的大小。IGBT 是 mosFET 和 GTR的復合器件,它具有開關速度快、熱穩定性好、驅動功率小和驅動電路簡單的特性,又具有通態壓降小、耐壓高和接受電流大等優點。IGBT作為主流的功率輸出器件, 特別是在大功率的場所,曾經被普遍的應用于各個范疇。
mos管開關器件理想的驅動電路
(1)功率開關管開通時,驅動電路可以提供快速上升的基極電流,使得開啟時有足夠的驅動功率,從而減小開通損耗。
(2)開關管導通期間,mos驅動電路提供的基極電流在任何負載狀況下都能保證功率管處于飽和導通狀態,保證比擬低的導通損耗。為減小存儲時間,器件關斷前應處于臨界飽和狀態。
(3)關斷時,驅動電路應提供足夠的反向基極驅動,以疾速的抽出基區的剩余載流子,減小存儲時間; 并加反偏截止電壓,使集電極電流疾速降落以減小降落時間。當然,晶閘管的關斷主要還是靠反向陽極壓降來完成關斷的。
目前來說,關于晶閘管的驅動用的比擬多的只是經過變壓器或者光耦隔離來把低壓端與高壓端隔開,再經過轉換電路來驅動晶閘管的導通。而關于 IGBT來說目前用的較多的是 IGBT 的驅動模塊,也有集成了 IGBT、 系統自維護、 自診斷等各個功用模塊的 IPM。
本文針對我們所用到的晶閘管,設計實驗驅動電路,并停止實考證明了它能夠驅動晶閘管。而關于 IGBT的驅動,本文主要引見了目前主要的幾種 IGBT 的驅動方式,以及與它們相對應的驅動電路,并對最常用的光耦隔離的驅動方式停止了仿真實驗。
大功率mos管驅動芯片實驗電路的設計與剖析
實驗設計總電路圖如下圖所示首先是升壓電路,由于后級的隔離變壓器電路中的 MOS 管器件需求 15V 的觸發信號,所以,需求先把幅值 5V 的觸發信號轉成 15V 的觸發信號,經過 MC14504 把 5V 的信號, 轉換成為 15V的信號,然后再經過 CD4050 對輸出的 15V 驅動信號整形, 實驗的波形圖如圖所示, 通道 2 接的是 5V 輸入信號,通道 1 接的是輸出的 15V 的觸發信號。
第二局部是隔離變壓器電路,實驗電路圖如圖 4所示,該電路的主要功用是:把 15V 的觸發信號,轉換成為 12V 的觸發信號去觸發后面的晶閘管的導通,并且做到 15V 的觸發信號與后級之距離。
該電路的工作原理是:由于 MOS 管 IRF640 的驅動電壓為 15V,所以,首先是在 J1 處接入 15V 的方波信號,經過電阻 R4 接穩壓管 1N4746,使觸發電壓穩定,也使得觸發電壓不至于過高,燒壞 MOS 管,然后接到 MOS 管 IRF640(其實這就是個開關管,控制后端的開通和關斷) , MOS 管的工作圖如下圖, 經過控制驅動信號的占空比, 能夠控制 MOS 管的開通和關斷時間。當 MOS 管開通時,相當于它的 D 極接地,關斷時是斷開的,經過后級電路相當于接 24V。而變壓器就是經過電壓的變化來使右端輸出 12V 的信號。變壓器右端接一個整流橋,然后從接插件 X1 輸出 12V的信號。下圖 6 為該實驗電路的仿真波形圖,為了便當看清,我把 B 通道的正負引腳顛倒,測出圖中的電壓為負的,不過幅值是正確的。圖 7 是該電路的實驗波形圖,與仿真波形圖一樣。
實驗過程中遇到的問題
首先,開端上電時,保險絲忽然熔斷,后來查電路時發現最初的電路設計有問題。最初為了它的開關管輸出的效果更好,把24V的地和15V 的地隔開,這就使得MOS管的門極G極相當于后面的S極是懸空的,招致誤觸發。處理方法是把24V和15V的地接在一同,再次停止實驗,電路工作正常。電路銜接正常,但是當參加驅動信號時,MOS管發熱,加驅動信號一段時間后,保險絲熔斷,再加驅動信號時,保險絲直接熔斷。檢查電路發現,驅動信號的高電平占空比過大,招致MOS管的開通時間太長。這個電路的設計使得當MOS管開通時,24V直接加到MOS管的兩端,并沒有加限流電阻,假如導通時間過長就使得電流過大,MOS管損壞,需求調理信號 的占空比不能太大,普通在 10%~20%左右。
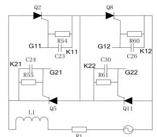
為了驗證驅動電路的可行性,我們用它來驅動串連在一同的晶閘管電路,實驗電路圖如下圖8所示,互相串聯的晶閘管再反并聯后,接入帶有感抗的電路中,電源是 380V 的交流電壓源。

在這個電路中,晶閘管Q2、Q8的觸發信號經過G11和G12接入,而Q5、Q11的觸發信號經過G21、G22接入。在驅動信號接到晶閘管門級之前,為了進步晶閘管的抗干擾才能,在晶閘管的門極銜接一個電阻和電容。這個電路接電感后,再投入到主電路中。經過控制晶閘管的導通角,來控制大電感投入到主電路的時間, 上下電路的觸發信號的相角相差半個周期,上路的 G11 和G12是一路的觸發信號,經過前級的驅動電路中的隔離變壓器互相隔離,下路的 G21 和 G22同樣也是隔離的同一路信號。 實驗波形圖如圖 9 所示,兩路的觸發信號觸發反并聯晶閘管電路正反導通,上面的 1 通道接的是整個晶閘管電路的電壓,在晶閘管導通時它變為 0,而 2、3 通道接的是晶閘管電路上下路的觸發信號,4 通道測得是流過整個晶閘管的電流。
通道測得有正向的觸發信號時,觸發上面的晶閘管導通,電流為正;3 通道測得有反向的觸發信號時,觸發下路的晶閘管導通,電流為負。
大功率mos管驅動芯片結構
大功率mos管驅動芯片結構如下在一塊摻雜濃度較低的P型半導體硅襯底上,用半導體光刻、擴散工藝制作兩個高摻雜濃度的N+區,并用金屬鋁引出兩個電極,分別作為漏極D和源極S。然后在漏極和源極之間的P型半導體表面復蓋一層很薄的二氧化硅(Si02)絕緣層膜,在再這個絕緣層膜上裝上一個鋁電極,作為柵極G。這就構成了一個N溝道(NPN型)增強型MOS管。顯然它的柵極和其它電極間是絕緣的。圖1-1所示 A 、B分別是它的結構圖和代表符號。

同樣用上述相同的方法在一塊摻雜濃度較低的N型半導體硅襯底上,用半導體光刻、擴散工藝制作兩個高摻雜濃度的P+區,及上述相同的柵極制作過程,就制成為一個P溝道(PNP型)增強型MOS管。圖1-2所示A 、B分別是P溝道MOS管道結構圖和代表符號。
大功率mos管驅動芯片工作原理

從圖可以看出,增強型MOS管的漏極D和源極S之間有兩個背靠背的PN結。當柵-源電壓VGS=0時,即使加上漏-源電壓VDS,總有一個PN結處于反偏狀態,漏-源極間沒有導電溝道(沒有電流流過),所以這時漏極電流ID=0。
此時若在柵-源極間加上正向電壓,圖上圖所示,即VGS>0,則柵極和硅襯底之間的SiO2絕緣層中便產生一個柵極指向P型硅襯底的電場,由于氧化物層是絕緣的,柵極所加電壓VGS無法形成電流,氧化物層的兩邊就形成了一個電容,VGS等效是對這個電容充電,并形成一個電場,隨著VGS逐漸升高,受柵極正電壓的吸引,在這個電容的另一邊就聚集大量的電子并形成了一個從漏極到源極的N型導電溝道,當VGS大于管子的開啟電壓VT(一般約為 2V)時,N溝道管開始導通,形成漏極電流ID,我們把開始形成溝道時的柵-源極電壓稱為開啟電壓,一般用VT表示??刂茤艠O電壓VGS的大小改變了電場的強弱,就可以達到控制漏極電流ID的大小的目的,這也是MOS管用電場來控制電流的一個重要特點,所以也稱之為場效應管。
大功率mos管驅動芯片

烜芯微專業制造二極管,三極管,MOS管,橋堆20年,工廠直銷省20%,1500家電路電器生產企業選用,專業的工程師幫您穩定好每一批產品,如果您有遇到什么需要幫助解決的,可以點擊右邊的工程師,或者點擊銷售經理給您精準的報價以及產品介紹

